KLIN PIN ŚRUBY NAPĘDOWEJ DO SILNIKÓW YAMAHA MARINER PPJ044
- YAMAHA / MARINER O MOCY 2 i 4KM
test
KLINY / PINY ŚRUBY NAPĘDOWEJ DO SILNIKÓW ZABURTOWYCH YAMAHA / MARINER O MOCY 2 i 4KM
Wymiary:
- Długość: 22mm
- Średnica: 3mm
CENA ZA 2 SZTUKI.
INSTRUKCJA WYMIANY KLINA
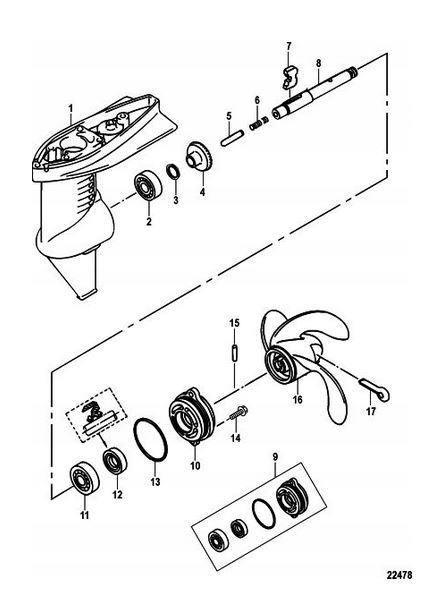
- Zdejmujemy śrubę napędową poprzez odkręcenie śruby mocującej lub wyjęcie zawleczki zabezpieczającej.
- Wyciągamy klin, który wykonany jest z miękkiego materiału o niewysokiej odporności na korozję.
- Klin wyciągamy z wałka, na którym jest osadzona śruba, czyścimy i smarujemy cienką warstwą smaru stałego.
- Pozostawienie klina poza sezonem na wale śruby zwiększa prawdopodobieństwo powstawania ognisk korozyjnych w okolicy spodziny.
Kod produktu: PPJ044
Producent: LINDEMANN
Zapytaj o produkt
Napisz swoją opinię








